今天是: 2026-03-14 07:50:59 欢迎您光临东莞市科美电子有限公司!
关键字:
网站首页
走进科美
公司简介
组织结构
生产设备
品质检测
资质证书
产品目录
开关导航
插座导航
新闻中心
最新消息
产品资讯
销售网络
服务中心
产品应用
客户服务
在线留言
联系我们
产品列表
开关导航
轻触开关系列
拨动开关系列
按键开关系列
检测开关系列
多功能开关系列
手电筒开关系列
插座导航
DC电源插座(DIP)
DC电源插座(SMT)
2.5耳机插座(DIP)
2.5耳机插座(SMT)
3.5耳机插座(DIP)
3.5耳机插座(SMT)
USB连接器插座系列
您现在的位置:产品展示 >> 插座导航 >> USB连接器插座系列
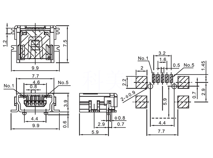
USB-C-03M
产品说明:
『
返回
』
网站首页
产品目录
走进科美
联系我们
网站管理
Copyright(C)2013-2023 东莞市科美电子有限公司.All Rights Reserved
粤ICP备10213685 站长统计